Quantité de commande minimum:1
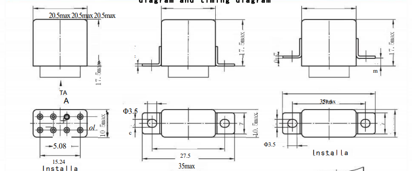
Modèle: JSB-82M
marque: YM
Production: DC
Type De Relais: Télécom
Ambient Temperature: -55℃~125℃
Relativehumidity: 98% at 40℃
Cyclone: 1kPa
Dither: 20g,10Hz~2000Hz
Random Vibration: 0.2g²/Hz,169.1m/s²
Workingvoltage: (28.5±10%)Vd.c.
Dielectricwithstandvoltage: Normal atmospheric pressure:500Vr.m.s., 50Hz Under low pressure: 250Vr.m. s .,50 Hz
Input Currenton: ≤70mA
Insulationresistance: ≥ 1 0 0 0 M Ω
Contact Resistance: Initial value ≤50m Life test after ≤100mQ
Tightness: Leakage rate ≤10Pa ·cm³/s
Le JSB-82M est un relais de scellement métallique militaire avancé doté d'une technologie de retard hybride programmable par cours pour les applications de séquençage aérospatiales complexes. Ce relais CC d'aviation sophistiqué remplace directement les composants de la série LOGITEK MOD conçus aux États-Unis, offrant une programmabilité et une fiabilité améliorées dans les systèmes militaires critiques. En tant que relais électromagnétique militaire de précision avec circuits de synchronisation hybrides intégrés, il combine la robustesse de la commutation électromagnétique avec la précision de synchronisation à semi-conducteurs pour les fonctions de retard critiques. Fabriquée par YM avec plus de 18 ans d'expertise spécialisée, cette solution hybride de relais statique offre des capacités de retard programmables avec plusieurs modes de synchronisation, ce qui la rend idéale pour remplacer les composants LOGITEK vieillissants dans les systèmes aérospatiaux existants.




Ce relais métallique militaire polyvalent est conçu pour les applications de synchronisation complexes :
Bien qu'optimisé en remplacement de LOGITEK, YM offre une personnalisation complète :
Notre expertise couvre les technologies de relais automobiles , de relais de puissance industriels et de relais de signaux PCB , avec une expérience spécialisée dans la conception de relais temporisés hybrides pour la prise en charge des systèmes existants.
Chaque JSB-82M est soumis à une vérification de qualité rigoureuse en 8 étapes :
Q1 : Que signifie « parcours programmable » pour ce relais ?
A1 : Programmable par cours fait référence à la possibilité de définir des temps de retard par incréments grossiers (généralement via des valeurs de résistance externes) plutôt que par une programmation numérique fine, en maintenant la compatibilité avec les méthodes de programmation originales de la série LOGITEK MOD tout en offrant une précision améliorée.
Q2 : Comment le JSB-82M améliore-t-il les relais MOD LOGITEK d'origine ?
A2 : Tout en conservant une compatibilité totale, le JSB-82M offre une précision de synchronisation améliorée (±1 % par rapport à une valeur typique de ±5-10 %), un fonctionnement sur une plage de température plus large, quatre modes de synchronisation contre un ou deux habituellement, et une fabrication moderne avec une traçabilité complète.
Q3 : Quels modes de synchronisation sont disponibles et comment sont-ils sélectionnés ?
A3 : Quatre modes : Retard à la mise sous tension (délai après mise sous tension), Délai au déclenchement (délai après mise hors tension), Intervalle (sortie à durée fixe) et One-shot (sortie à impulsion unique). La sélection du mode s'effectue via la configuration d'usine ou la modification du circuit externe selon les exigences de l'application.
Q4 : Les circuits de programmation LOGITEK existants peuvent-ils être utilisés sans modification ?
A4 : Oui, le JSB-82M maintient la compatibilité de programmation basée sur les résistances avec la série LOGITEK MOD. Pour les applications nécessitant différentes plages de synchronisation, de simples ajustements de la valeur de la résistance peuvent être nécessaires, avec des conseils fournis dans notre documentation technique.
Q5 : Des échantillons sont-ils disponibles pour l'évaluation du remplacement LOGITEK ?
A5 : Oui, nous fournissons jusqu'à 3 échantillons gratuits programmés pour correspondre aux configurations spécifiques de LOGITEK MOD pour les clients B2B qualifiés. Veuillez fournir le numéro de pièce d'origine LOGITEK et les exigences de synchronisation avec votre demande.
Q6 : Quel délai de livraison peut-on s’attendre pour les quantités de production ?
A6 : Configurations standards compatibles LOGITEK : 3-4 semaines. Programmation personnalisée pour des variantes MOD spécifiques : 4 à 5 semaines. Les commandes groupées pour les programmes de maintien en puissance des systèmes existants bénéficient d'une planification prioritaire.